Двухтрубная система отопления дома — монтаж и схема разводки трубопроводов

Двухтрубная система отопления
С давних времен известно, что деревянный дом, благодаря своим свойствам проводимости тепла, замечательным образом сохраняет комфортную для жильцов температуру. В случае если сруб предназначен для постоянного проживания, к тому же в территориальных зонах, где температура понижается до минусовой отметки, есть смысл планирования и дополнительных источников тепловой энергии.
Независимо от того, что монтаж однотрубных отопительных сетей для частных домов прост, не требует большой протяженности трубопровода и материальных затрат, список обустройства жилья возглавляют двухтрубные системы.
Убедительный, хотя и незначительный по длине список достоинств делает эксплуатацию двухтрубной системы отопления весьма це2лесообразной. Приобретение труб в двойном количестве, связанное с монтажом, оправдывается, поскольку для сооружения двухтрубной системы нет необходимости в трубопрокате большого диаметра.
Типы и размеры крепежных соединений, вентили и фасонные изделия необходимы в небольшом количестве. Стало быть, разница в стоимости для приобретения материала, довольно незначительна. Помимо всего, работу по установке двухтрубной системы отопления, вполне можно осилить и самостоятельно – своими руками.
Системы двухтрубного водяного отопления частного дома
Двухтрубная система отопления создает качественный обогрев жилища. Это и понятно, ведь в каждый радиатор вмонтированы две трубы. Одна с горячей водой, параллельно подключенной к каждому из отопительных приборов, а уже остывшая вода через другую трубу имеет обратный выход в систему.
Установка крана перед каждым радиатором позволяет отключать любой из них, по необходимости, от общей подачи тепла. Температура в последнем радиаторе с горячей водой довольно низкая, по сравнению с однотрубной системой, однако потери, все равно будут намного меньше.
Горизонтальная двухтрубная система
Разница между горизонтальным и вертикальным типом отопительной системы зависит от труб, соединяющих каждый отдельный прибор в единый механизм расположения.
Вертикальная отопительная система присоединяет все приборы к вертикальному стояку. Ее монтаж обычно несколько дороже, однако воздушные пробки при эксплуатации практически не возникают. Этот вариант является отличным для частных домов, имеющих два и больше этажей, поскольку каждый этаж может быть подсоединен к стояку отдельно.
Двухтрубная горизонтальная система отопления устанавливается в больших одноэтажных домах, где разумно и очевидно присоединить радиаторы к трубопроводу, проложенному именно в горизонтальном положении. Такой метод отопления удобен в обустройстве, скорее панельно-каркасных строений или для деревянных домов, не имеющих простенков. Стояки разводки для нее располагаются обычно в коридоре.

Схема горизонтальной системы
Горизонтальная система отопления имеет два типа подключения тепловых приборов:
- лучевой;
- последовательный.
Суть лучевого типа работы состоит в отдельной отопительной подаче к радиатору. Механизм действия последовательного типа заключается в общей паре трубопроводов.
Оба типа обладают своими преимуществами: в первом, абсолютно нет необходимости регулировать двухтрубную систему отопления, не нужно контролировать проходимость дросселей, расположенных у котла радиаторов. А температурный режим будет одинаковым по всей лучевой длине. Небольшой недостаток этой системы отопления – расход материала.
Протягивая горизонтальную проводку к большому количеству радиаторов по стене, сложно сохранить безукоризненность внешнего вида. Поэтому лучшим вариантом будет предварительно спрятать трубы под стяжку во время строительства.
Лучевая система окажется практичной только в случае если частный дом имеет один этаж.
Последовательная двухтрубная сеть отопления всегда практична и выгодна в обогреве помещений, поскольку температура носителя тепла в системе отопления может всегда поддерживаться одинаковой.
Осуществляя правильную установку горизонтальной двухтрубной системы отопления, как и ее настройку необходимо знать:
- Полная процедура монтажа системы займет достаточно много времени.
- Регулировка системы должна быть проведена до наступления холодов.
- При расчете горизонтальной двухтрубной системы отопления необходимо обратиться к квалифицированному специалисту.
Двухтрубная система обогрева с верхней разводкой
Применение двухтрубной вертикальной системы отопления с верхней разводкой предполагает параллельное соединение радиаторов, в которые тепло поступает от котла.

Двухтрубная вертикальная с верхней разводкой
Отличительной особенностью этого способа является верхнее прокладывание разводящего трубопровода и обязательное присутствие расширительного бака.
Бак монтируется в пиковой – верхней точке по отопительному контуру. Из котла носитель тепла поднимается вверх по трубопроводу, равномерно поступая по подводкам в каждый нагревательный радиатор.
В горизонтальных системах трубы прокладываются с небольшим уклоном.
По обратным подводкам вода от теплонагревателей возвращается в обратный трубопровод, а уже из него – в котел. Все приборы подобной системы отопления имеют два трубопровода: подающий и обратный. Именно поэтому она получила название двухтрубной.
Подача воды по системе происходит от водопровода. При отсутствии водоснабжения, вода заливается через отверстие расширительного бака вручную. Подпитывать отопительную систему лучше в обратку. То есть: холодная водопроводная вода перемешивается с горячей водой обратки. Это повышает ее плотность и увеличивает напор циркуляции во время подпитки.
Схема работы системы: нагретый теплоноситель под давлением поднимается вверх на чердак, после чего по радиаторам отопления спускается вниз. Уже остывшая вода подается обратно в трубы, которые расположены ниже уровня радиаторов. «Завоздушины» в такой циркуляции удаляются сами, чему дополнительно способствует расширительный бак.
Двухтрубная система отопления с нижней разводкой

Отопления с нижней разводкой
От системы с верхней разводкой этот тип отличается подающим трубопроводом, который прокладывается рядом с обратным – снизу. Вода в нижней разводке движется снизу вверх по подающим трубам. Через нагревательные приборы она проходит по обратным подводкам и поступает уже в обратную трубу. После этого ее путь – в котел. Воздушные пробки из отопительной системы спускаются через специальные воздушные краны Маевского. Их необходимо установить на всех радиаторах.
Отопительная сеть с нижней разводкой может быть спроектирована с одним контуром, несколькими, с тупиковым или попутным. Движение теплоносителя может быть попутным или тупиковым.
Подобный вид разводки применяются редко. Связано это с тем, что количество конечных радиаторов обязательно нуждается в установке воздушных спускников. Поскольку эти системы имеют расширительный бак, который вовлекает воздух в кольцо циркуляции из-за сообщения с атмосферой, то работа по стравливанию воздуха из радиаторов должна проводиться каждую неделю.
Неоспоримое преимущество подобной системы в том, что дом можно отапливать еще до полного окончания строительства или согревать только тот этаж, где на данный момент вы проживаете.
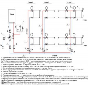
Схема двухтрубной системы отопления
В двухтрубной системе, согласно схеме отопления к каждому радиатору обогрева подходят две трубы, одна верхняя – прямого тока, другая нижняя – с обратным током.
Двухтрубная отопительная система состоит из:
- котла;
- автовоздушника;
- термостатического клапана;
- батареи;
- устройства балансировки;
- бака;
- вентиля;
- фильтр трубопроводный;
- насос;
- манометр температуры;
- предохранительный клапан
-

Схема двухтрубного радиаторного отопления двухэтажного дома
При наличии расширительного бака его установка должна быть не ниже самого верхнего пика (точки) системы. Если дом снабжен автономной водоподачей, то расширительный бак можно совместить с расходным бачком водной системы подачи.
- Уклон труб в подаче и обратке может быть не больше десяти сантиметров на двадцати погонных метрах и более.
- Если при монтаже трубопровод двухтрубной сети отопления нижней разводки оказался у входной двери, системы можно разделить на два отдельных колена. Разводка в таком случае должна создаваться от места, где расположена верхняя точка системы.
- При автономной двухтрубной системе обогрева с верхней разводкой могут создаваться разные схемы монтажа. Зависеть они будут от места, где расположен расширительный бак, учитывая также высоту от пола.
- Правильным решением станет установка расширительного бачка в нехолодном помещении, при соблюдении к нему свободного доступа. Это может оказаться неудобным, если верхняя горизонтальная труба подачи окажется посередине: между потолком и окном, нарушая эстетичный вид, и оформление стены или проема окна.
- Разумеется, подобные меры изменят общий вид помещения не в лучшую сторону. Однако размещение расширительного бака на чердаке – над потолочным перекрытием тоже может оказаться неудобным, в смысле доступа, и к тому же частично небезопасным в холодный период.
- Верхняя пиковая точка в двухтрубной системе при верхней разводке может быть выбрана, учитывая все возможные удобства и любое место для размещения расширительного бака. Самой лучшей окажется работа системы при наличии как можно большей по длине трубы теплоподачи.
- Высоким также будет качество работы системы, если сама схема и монтаж будут содержать трубы различного диаметра, поскольку верхняя точка трубы подачи располагается в самом начале разводки. Дело в том, что при автономной работе по такой схеме система с трубами одинаковыми в диаметре может создать неверное движение теплоносителя – только по радиусу малого круга: котел – самая ближний радиатор – котел.
- В любой системе отопления наличие циркуляционного насоса повышает ее эффективность в разы. Однако, что касается двухтрубной отопительной системы с верхней разводкой труб, он будет лишним. Циркуляционный насос имеет мощность, составляющую 60-100 Ватт, не нуждаясь в дополнительном обслуживании при длительной эксплуатационной «жизнедеятельности». При этом скорость нагрева помещения благодаря ему, весьма значительна.
Правила гидравлического расчета
Необходим ли гидравлический расчет двухтрубной системы отопления?
Каждый дом сугубо индивидуален. Соответственно и отопление с определением количества тепла должно быть индивидуально. Сделать это можно и нужно с помощью гидравлического расчета.
Цель гидравлического расчета:
- определить количество нагревательных приборов;
- рассчитать диаметр и количество трубопроводов;
- определить возможные потери в системе отопления.
Все расчеты производятся по предварительно составленной схеме отопления со всеми элементами, входящими в систему. Выполняется гидравлический расчет по аксонометрическим таблицам и формулам.
Более нагруженное кольцо трубопровода принимается за расчетный объект и определяется необходимое сечение трубопровода, оптимальная площадь поверхности радиаторов, возможная потеря давления всего отопительного контура.
Проведение расчета создает четкую картина с распределением всех существующих сопротивлений в отопительном контуре и дает возможность получить точные параметры расхода воды, температурного режима в каждой части отопительной системы.
Как результат – гидравлический расчет должен выстроить самый оптимальный план отопления вашего дома. Не стоит полагаться только на свою интуицию, необходимо провести расчет, прибегнув к помощи специалиста.
Монтаж двухтрубной системы отопления
При монтажных работах двухтрубной системы отопления необходимо соблюдать ряд технологических правил.
- Для начала очень важно определиться с выбором системы отопления, которая предполагается в конкретном доме. Понятно, что самым оптимальным окажется установка той системы, энергоносители которой будут доступны и одновременно экономичны. Именно экономичность в отоплении частного дома на сегодняшний день для большинства очень важна.
- При проведенном к дому газоснабжении, можно не задумываясь устанавливать водяную систему отопления, имеющую два котла, один из которых основной – газовый, а второй запасной – электрический или для твердого топлива, создавая, таким образом, полную энергонезависимость.
- Следующим этапом следует обращение в проектное бюро. Там будет произведены необходимые расчеты, составлена вся документация по проекту и созданы чертежи по отоплению дома. После этого можно смело начать приобретение необходимого оборудования и материалов.
Котельная
Перво-наперво необходимо установить отопительный котел. Для этого необходимо обустроить котельную, где будут находиться возможные продукты горения. Лучше, если это будет отдельное помещение или же подвальная комната с хорошей вентиляционной системой.
Доступ к котлу должен быть свободным, располагать его лучше на достаточном расстоянии от стен. Пол и прилегающие стены, вокруг него нужно облицевать огнеупорным материалом. Дымоход от котла выводится на улицу.
Установка коллекторного шкафа
Если необходимо, то следующим этапом монтажа будет установка циркуляционного насоса, распределительного коллектора, если таковой предусмотрен системой, а так же регулирующих и измерительных приборов рядом с котлом.
Прокладка труб
От места размещения котла ведется магистраль трубопровода к тем местам, где установлены радиаторы. Для проведения труб через толщину стены, необходимо делать отверстия. После проведения труб, образовавшиеся отверстия необходимо замазать раствором цемента. Соединяются трубы исходя из материала изготовления.
Подключение радиаторов

Монтаж радиаторов
Самым последним этапом монтажа двухтрубной системы отопления будет монтирование радиаторов. Они устанавливаются обязательно под оконным проемом на кронштейны. Если размеры радиатора малы и не закрывают оконный проем, желательно нарастить секции или установить по возможности два радиатора.
Высота от пола должна быть от 10 до 12 см, расстояние от стен от 2 до 5 см, от подоконников до радиаторов – 10 см. Вход и выход радиатора фиксируется установлением запорной и регулирующей фурнитуры. Обязательна так же и установка термодатчиков. Благодаря их наличию можно регулировать желаемый температурный режим или перекрывать по необходимости движение воды.
После завершения установки всех элементов отопительных конструкций системы производится опрессовка. Первичный запуск котла допустим только после документального разрешения и в присутствии одного из представителей от газового хозяйства.
Закрытые системы отопления
Двухтрубная закрытая система отопления – это сеть с постоянно поддерживающимся давлением, отсутствием водоразбора и притока извне теплоносителя. Она по достоинству является самой популярной в решении отопления частных домов с электрическими котлами.
Управление расходом теплоэнергии желательно сопроводить установкой термостатов. Последние модели этих устройств производят автоматический контроль работы котла: включение или отключение дополнительной горелки, по необходимости. Топливо и энергия при этом расходуется очень экономно.

Закрытая система отопления со смешанной циркуляцией
Закрытая двухтрубная система отопления состоит из:
- котла;
- автовоздушника;
- термостатического клапана;
- радиатора;
- балансировочного клапана;
- мембранного расширительного бака;
- шарового крана – вентиля;
- фильтра сетчатого магистрального;
- циркуляционного насоса;
- термоманометра;
- предохранительного клапана.
Основное достоинство двухтрубной закрытой системы отопления – отсутствие возможного «завоздушивания» системы. В ней отсутствует испарение теплоносителя, поэтому его применение не лимитируется.
Монтаж закрытой сети отопления сопровождается и предусматривает наличие мембранного расширительного бака.
Плюсы закрытой системы:
- Бак располагается в том же месте, где и котел. Отпадает необходимость протягивания трубы на чердак. Этот пункт полностью исключит контроль над уровнем воды и снимет беспокойство относительно постоянного доливания воды в бак.
- Отсутствует контакт атмосферы и воды. Следовательно, возможность растворения в воде лишнего кислорода тоже исключается. Этот факт увеличивает срок эксплуатации радиаторов и котла соответственно.
- Уменьшается риск возникновения «завоздушин» в верхних радиаторах, поскольку присутствует возможность увеличения давления даже в пиковой – верхней — пиковой точке системы отопления.
Из всего рассмотренного выше можно сделать вывод: монтаж двухтрубной отопительной системы своими руками, вполне доступен и не так уж сложен. Изобилие на рынке материалов и методического материала по этой теме в сетях интернета достаточно. Что касается сборки нынешних отопительных систем при помощи фурнитуры, то эта работа под силу окажется и обычному дилетанту, особенно если присутствует желание. Главный момент – это грамотное составление проекта, покупка качественных материалов и оборудования.
